Category Archives: Tài liệu vải địa kỹ thuật
TCVN 8871-4:2011 vải địa kỹ thuật – phương pháp thử – phần 4: xác định lực kháng xuyên thủng thanh
TIÊU CHUẨN QUỐC GIA TCVN 8871-4:2011 vải địa kỹ thuật - phương pháp thử - [...]
TCVN 8222:2009 vải địa kỹ thuật − qui định chung về lấy mẫu, thử mẫu và xử lý thống kê
TCVN 8222:2009 vải địa kỹ thuật − qui định chung về lấy mẫu, thử mẫu [...]
TCVN 8484:2010 vải địa kỹ thuật – phương pháp xác định sức bền kháng thủng bằng phép thử rơi côn
TCVN 8484:2010 vải địa kỹ thuật – phương pháp xác định sức bền kháng thủng [...]
TCVN 8486:2010 vải địa kỹ thuật – phương pháp xác định kích thước lỗ lọc bằng thép thử sàng ướt
TCVN 8486 : 2010 vải địa kỹ thuật – phương pháp xác định kích thước [...]
TCVN 8221:2009 vải địa kỹ thuật − phương pháp xác định khối lượng trên đơn vị diện tích
TCVN 8221:2009 vải địa kỹ thuật − phương pháp xác định khối lượng trên đơn [...]
TCVN 8482 : 2010 vải địa kỹ thuật – phương pháp xác định khả năng chịu tia cực tím, nhiệt độ và độ ẩm
TCVN 8482 : 2010 do Viện Khoa học Thủy lợi Việt Nam biên soạn, Bộ [...]
TCVN 8487:2010 vải địa kỹ thuật – phương pháp xác định độ thấm xuyên
TCVN 8487:2010 do Viện Khoa học Thủy lợi Việt Nam biên soạn, Bộ Nông nghiệp [...]
TCVN 8220:2009 vải địa kỹ thuật − phương pháp xác định độ dày danh định
TCVN 8220:2009 vải địa kỹ thuật − phương pháp xác định độ dày danh định
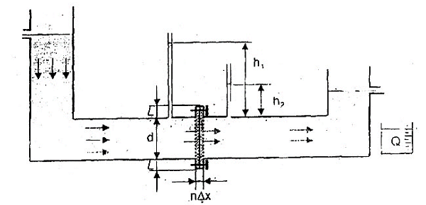
TCVN 8483:2010 vải địa kỹ thuật – phương pháp xác định độ dẫn nước
TCVN 8483 : 2010 được chuyển đổi từ 14 TCN 98 – 1996 theo quy [...]
TCVN 8485:2010 vải địa kỹ thuật – phương pháp xác định cường độ chịu kéo và độ giãn dài
TCVN 8485 : 2010 được chuyển đổi từ 14 TCN 95 -1996 theo quy định [...]
TCVN 8871-6:2011 vải địa kỹ thuật – phương pháp thử – phần 6: xác định kích thước lỗ biểu kiến bằng phép thử sàng khô
tcvn 8871-6:2011 vải địa kỹ thuật - phương pháp thử - phần 6: xác định [...]
Tiêu chuẩn TCVN 9907:2014 Vải địa kỹ thuật – phương pháp thử xác định độ bền vi sinh bằng phép thử chôn trong đất
Tcvn 9907:2014 Vải địa kỹ thuật - phương pháp thử xác định độ bền vi [...]
TCVN 9844:2013 YÊU CẦU THIẾT KẾ, THI CÔNG VÀ NGHIỆM THU VẢI ĐỊA KỸ THUẬT TRONG XÂY DỰNG NỀN ĐẮP TRÊN ĐẤT YẾU
TCVN 9844 : 2013 được xây dựng trên cơ sở tham khảo 22 TCN 248-98 [...]
Vải địa kỹ thuật cần thí nghiệm lực kháng thủng không? – Khám Phá Tầm Quan Trọng và Ứng Dụng Thiết Thực
Vải địa kỹ thuật cần thí nghiệm lực kháng thủng không? Đây là một câu [...]
Khi nào cần thí nghiệm độ thấm vải địa kỹ thuật để đảm bảo chất lượng công trình?
Khi nào cần thí nghiệm độ thấm vải địa kỹ thuật? Đây là câu hỏi [...]
Vải địa kỹ thuật có cần kiểm tra lực kéo không? – Phân tích và Tầm quan trọng trong xây dựng
Vải địa kỹ thuật có cần kiểm tra lực kéo không? Đây là câu hỏi [...]
Phương pháp thử vải địa kỹ thuật theo tiêu chuẩn nào? – Tìm hiểu chi tiết các phương pháp thử nghiệm hiện đại
Phương pháp thử vải địa kỹ thuật theo tiêu chuẩn nào? Đây là câu hỏi [...]
Tính toán lớp vải địa kỹ thuật không dệt trong móng đường – Giải pháp tối ưu cho công trình bền vững
Tính toán lớp vải địa kỹ thuật không dệt trong móng đường là một yếu [...]
Thiết Kế Vải Địa Kỹ Thuật Không Dệt Trong Công Trình Chống Xói Mòn – Giải Pháp Hiệu Quả Cho Nông Nghiệp và Cơ Sở Hạ Tầng
Thiết kế vải địa kỹ thuật không dệt trong công trình chống xói là một [...]
Tiêu chuẩn chọn vải địa kỹ thuật không dệt cho công trình thủy lợi – Vật liệu không thể thiếu trong xây dựng hiện đại
Tiêu chuẩn chọn vải địa kỹ thuật không dệt cho công trình thủy lợi là [...]
Khả Năng Chống Biến Dạng Lâu Dài Của Vải Địa Kỹ Thuật Không Dệt – Tầm Quan Trọng Trong Xây Dựng Bền Vững
Khả năng chống biến dạng lâu dài của vải địa kỹ thuật không dệt là [...]







































































